PRODUCTS
製品情報カメラ付 LEDセンサーライト(60Hz専用)
製品発売日:2018/09/14
人や車を感知して“パッ”と点灯、光と音で警告!
屋内・屋外兼用、AC100V(60Hz)専用、カメラ付きLEDセンサーライトです。
動くものを感知して点灯、警告音を流せます。
ライトの点灯時間は5秒~7分まで設定できます。
警告音はアラームか犬の鳴き声が設定できます。(アラームOFFも可能)
カメラはセンサーと連動し、20秒間動画を録画します。マイクロSDカードに記録され、データがいっぱいになったら古いデータから順に上書きします。
※動画を見るにはカードを取り出し、パソコンなどで再生します。
日動商品コードNo.09137
※2022年10月1日より価格改定しております。
SLS-18W-C-60 52,000円(税別)
SLS-18W-C-60 は2023年7月24日より廃番となり、販売終了いたしました。
後継機種はございません。
光束維持時間とは、有効に利用できる期間の目安(光束維持率70%)として表記しています。一般的に照明器具は、照明器具本体や内部部品の劣化により耐用年限に至ります、光束維持時間とは、照明器具の保証期間ではありません。
スペック表
型式 | SLS-18W-C-60 |
---|---|
定格光束(lm) | 1500 |
仕様 | 屋内・屋外兼用 |
保護等級 | IPX3 |
定格電圧 | 100V |
定格電流 | 0.21A |
周波数 | 60Hz専用 |
入力電圧範囲 | AC90~100V |
消費電力 | 17.8W(MAX)、待機電力0.88W |
100V消費効率 | 84.2lm/W |
電線長(m) | 3 |
電線種 | VCT0.75mm²✕2心 |
アース | なし |
入力プラグ | 防雨2Pプラグ |
使用電球 | LED |
1m照度(lx) | 1940 |
3m照度(lx) | 225 |
5m照度(lx) | 90 |
1/10ビーム角 | 水平(H)100度 垂直(V)70度 |
色 | 黒 |
光源色 | 昼白色 |
色温度 | 5000K |
使用環境温度 | -20~50℃ |
光束維持時間 | 50000時間 |
材質 | 本体/PC(ポリカーボネイト) |
有効幅 | 付属のクランプ最大挟み厚:105mm |
画素数 | 200万画素 |
解像度 | 1920✕1080 |
人感センサー感知距離 | 水平160度 10m |
点灯時間設定範囲 | 5秒~7分 |
アラーム | 2パターン(アラーム・犬・OFF) |
首振り角度 | ライト:左右80度 下向き45度 カメラ:左右90度 下向き30度 |
付属品 | クランプ・L字金具(最大挟み厚:105mm)✕1 アンカーボルト✕2 六角レンチ✕1 マイクロSDカード16GB✕1 マイクロSDカードアダプター✕1 |
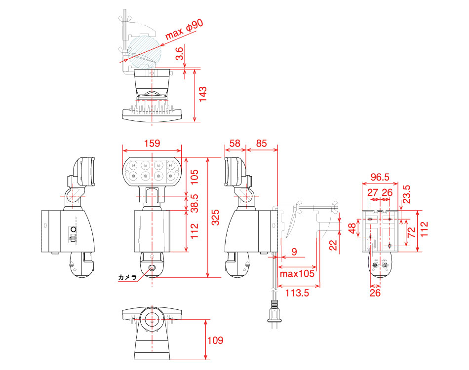
サイズ | W159✕D143✕H325mm |
質量 | 1.1kg |
JANコード | 4937305057414 |
標準価格 | 52,000円(税別) |
DXF図面 | dxf |
PDF図面 | |
さらに表示 |
外形図

「日付時刻設定ファイルをダウンロードする場合」
テキストデータをこちらからダウンロードできます。
テキストデータがダウンロードできる場合
1.ダウンロードしたフォルダーを開く。
2.userconfig.txtのファイルを開く。
3.テキストを開始させる日時に書き換える。
4.テキストデータを保存し、microSDカードに入れる。
5.microSDカードをセンサーライトに挿入し、設定時刻に合わせ電源を入れる。
ZIPデータをダウンロードする場合
1.ダウンロードしたフォルダーを開く。
2.userconfig.zipを解凍する。
3.解凍した、userconfig.txtのファイルを開く。
4.テキストを開始させる日時に書き換える。
5.テキストデータを保存し、microSDカードに入る。
6.microSDカードをセンサーライトに挿入し、設定時刻に合わせ電源を入れる。
お問い合わせ
お電話
TEL: 072-803-6905
受付時間 8:45~17:45
(土曜・日曜・祝日を除く)
メール
下記ボタンからお進みください。